製品 DW2000-110-7E-H1441
リニア測定
注文番号: 1544543- 測定範囲:最大2000 mm
- M12コネクタ
- 測定原理:ポテンショメータ
- 保護等級:IP65(エンコーダ)
- アナログ出力 4~20 mA
- 電源電圧:DC12~30V

一般データ
| EAN | 4047101256888 |
| eCl@ss-Code (V5.1.4): | 27270790 -/- 長さ、パス用センサー(未分類) |
| 関税表番号 | 90318020000 |
| 原産国 | DE |
| 重量 | 906 g |
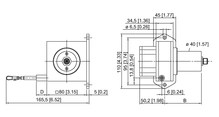
技術データ
| 設計 | ワイヤーの引き込み |
| 測定原理 | ポテンショメータ |
| 測定範囲 | 2000 mm [78.74 in] |
| 動作電圧 | 12…30 VDC |
| 出力機能 | アナログ出力 |
| 電流出力 | 4~20 mA |
| 電気的接続 | コネクタ, M12 × 1 |
| ハウジング材質 | チタニウム陽極酸化アルミニウム |
| 周囲温度 | -20…+60 °C |
| 保護等級 | IP65 |

